RUIX Core – Low Price - Uncompromising Precision

The RUIX Core is a stable and affordable CNC gantry router, ideal for getting started with precise machining of wood, plastics and aluminum. The machine frame is built from specially developed aluminum profiles that are extruded, stress-relieved through heat treatment, and CNC-machined on all critical surfaces. All holes and threads are finished at the factory – ensuring fast assembly and a solid, play-free foundation without T-nuts or adjustment work.

Equipped with closed-loop stepper motors, 15 mm Z1 linear guides and preloaded trapezoidal lead screws, the RUIX Core offers surprisingly smooth motion and high repeatability for its price class. The grblHAL-based 5-axis controller with 32-bit architecture and safety relay makes entering CNC modern, convenient and future-proof. A powerful spindle drive is available as an option.

Starting at CHF 1950.–, the RUIX Core is an affordable choice for getting into CNC: solidly built, easy to operate and made for real results – whether in a hobby workshop, makerspace or as a compact machine in a professional environment.

Technical Specifications

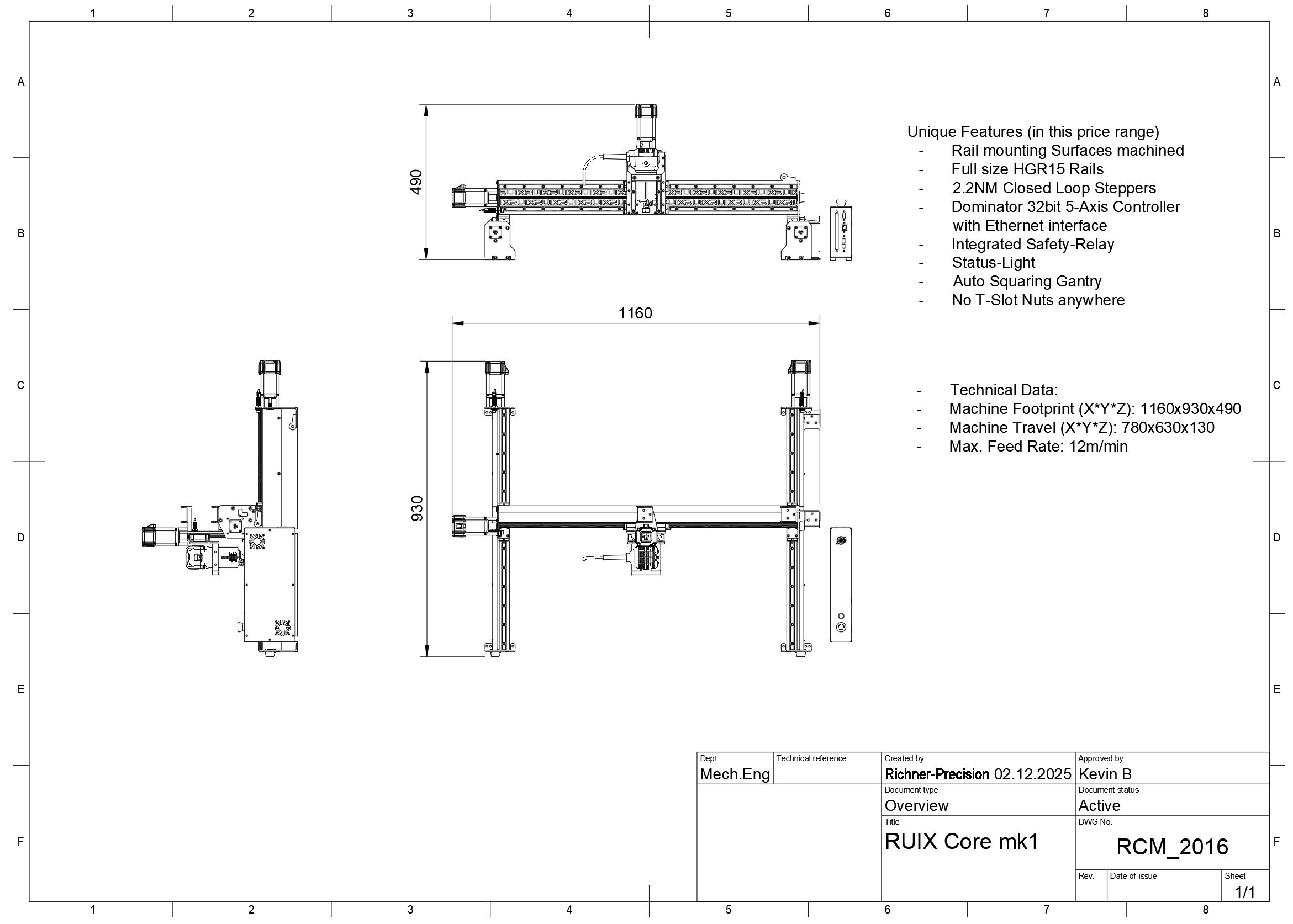
Machine Overview
  • Manufacturer: Richner-Precision
  • Model: RUIX Core
  • Machine type: CNC gantry milling machine (benchtop model)
  • Axes: 3 main axes (X, Y, Z), 4th axis prepared
Applications
  • Precision milled parts for one-offs, small series and prototyping
  • Model making and demanding small-scale production
  • Shopfitting, signage, furniture and interior construction
  • Machining of wood, plastics, aluminium and non-ferrous metals
  • Training, workshops and research
Precision & Mechanics
  • Drive resolution: 0.005 mm
  • Drives: TR8 Pre-Loaded Lead Screws
  • Linear guides: 15 mm rails with medium preload
  • Motors: 57 mm closed-loop stepper motors
  • Max. feed rate: 6-12 m/min
  • Main frame: Custom aluminium profiles, heat-treated and fully surface-milled
Spindle (Optional)
  • Spindle power: 1 HP (710 W)
  • Spindle speed: 0–33'000 RPM, stepless control
  • Spindle type: Air-cooled with ER11 collet system
  • Tool change: Manual
Control System
  • Controller: Dominator 32-bit, 5-axis, standalone
  • Homing: Inductive, non-contact limit switches
  • Interfaces: Ethernet
Safety Systems
  • Integrated safety relay with dual-channel shutdown
  • EMC-compliant wiring with full line filtering


Power Supply
  • Power connection: 230 V, 50/60 Hz (single-phase)
  • Max. current draw: 3 A
Dimensions & Weight
  • Travel (X × Y × Z): 780 × 630 × 130 mm
  • Footprint: 1160 × 930 mm (L × W)
  • Height (machine only): 490 mm
  • Machine weight: approx. 40 kg
  • Weight with baseplate: approx. 74 kg
Optional Accessories
  • 710W ER11 Router
  • 15mm Aluminium Baseplate
  • Standalone Update
  • XYZ Probe
  • Dust shoe (extraction system)
  • Collets, milling tools